- 产品编号:SYCIF-16401860
- 产品名称:电磁阀
- 产品型号:4V400系列
- 所属类别:>>电磁阀
- 品牌:上海仪川仪表厂(上海仪川仪表厂)
- 销售单位:上海仪川仪表销售有限公司
图形符号 Graphic symbol 标准规格 Standard specification 型号 Model 4V410-15 4V420-15 4V430C-15 4V430E-15 4V430P-15 工作介质 Working-Medium 空气(40米滤纲过滤) Air(40 micron cleaned) 动作方式 Motion pattern 内部先导
			    
 
			   
			   
			    
 
			   
			   详细介绍
              图形符号 Graphic symbol

标准规格 Standard specification
	
		
 
型号说明 Model expressing methods

流量特性 Flow characteristic

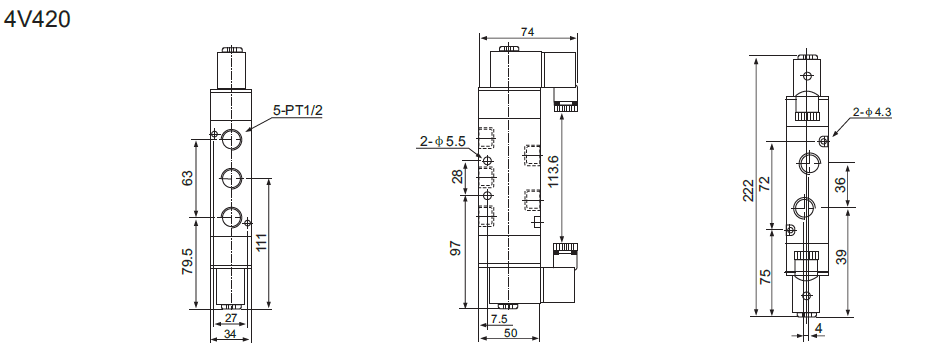
外形尺寸图(mm) Outline dimension drawing



			   
标准规格 Standard specification
| 型号 Model | 4V410-15 | 4V420-15 | 4V430C-15 | 4V430E-15 | 4V430P-15 | |||||||
| 工作介质 Working-Medium | 空气(40米滤纲过滤) Air(40 micron cleaned) | |||||||||||
| 动作方式 Motion pattern | 内部先导式 Internal pilot | |||||||||||
| 位置数码相机 Position number | 五口三位 Five-mouth three-position | |||||||||||
| 有效截面积 Efective sectional area(mm ) | 50mm2(Cv=2.79) | 30mm2(Cv1.67) | ||||||||||
| 接管口径 Adapter's caliber | 进气(air-in)=出气(air-out)=排气(exhausting)=PT1/2 | |||||||||||
| 润滑 Lubrication | 不需要No required | |||||||||||
| 使用压力 Working-pressure | 1.5~8.0kgf/cm2 | |||||||||||
| 最大耐压力 Biggest withstanding pressure | 12kgf/cm2 | |||||||||||
| 工作温度 Ambient temperature | -5~60℃(23~140°F) | |||||||||||
| 电压变动范围 Voltage range | -15%~±10% | |||||||||||
| 耗电量 Power consumption | AC:380V:2.5VA; AC220V:2.0VA; AC110V:2.5VA; AC24V:3.5VA; DC24V:3.0W; DC12V:2.5W | |||||||||||
| 绝缘性 Isulation | F级 Class F | |||||||||||
| 保护等级 Protection class | IP65(DIN40050) | |||||||||||
| 接电型式 Electrifying model | 直接出线式或端子式 Lead or Box type | |||||||||||
| 最高动作频率 Highest action frequency | 每秒五次 5/Sec | 每秒三次 3/Sec | 每秒五次 5/Sec | 每秒三次 3/Sec | ||||||||
| 最短励磁时间 Response time | 0.05秒(S) | |||||||||||
| 重量 Weight | 310g | 400g | 540g | 540g | 540g | |||||||
型号说明 Model expressing methods

流量特性 Flow characteristic

外形尺寸图(mm) Outline dimension drawing





